AU4842笔记本智能功率器件
概述

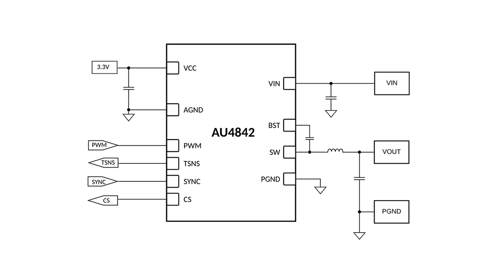
AU4842是一款半桥智能功率级,集成功率MOSFET和栅极驱动器。它能够在宽输入电压范围内产生25 A的持续电流。

AU4842适用于需要高轻载效率的应用。AU4842在轻载条件下可进入超低静态电流状态。

单片设计有助于实现最佳死区时间并降低寄生电感,从而实现高效率。这款极小的3 mm × 4 mm、 FC TQFN器件工作频率范围为100 kHz至2 MHz。

AU4842可与三态输出控制器接口,并支持标准故障接口。此外,该IC还内置精确的电流检测和温度检测功能。

AU4842最适合对效率和便携性要求极高的笔记本电脑应用。

功能

• 宽工作输入范围

• 25 A输出电流

• 支持三态 PWM 控制器

• 精确电流检测

• 精确温度报告

• 超低静态电流模式

• 过温保护

• 内置自举开关

• 过流保护

• 适用于多相工作

• 3 mm × 4 mm, 21引脚,TQFN封装

应用

• 笔记本电脑核心电压

• 显卡核心电压调节器

• 电源模块