AU8015线性稳压器
概述

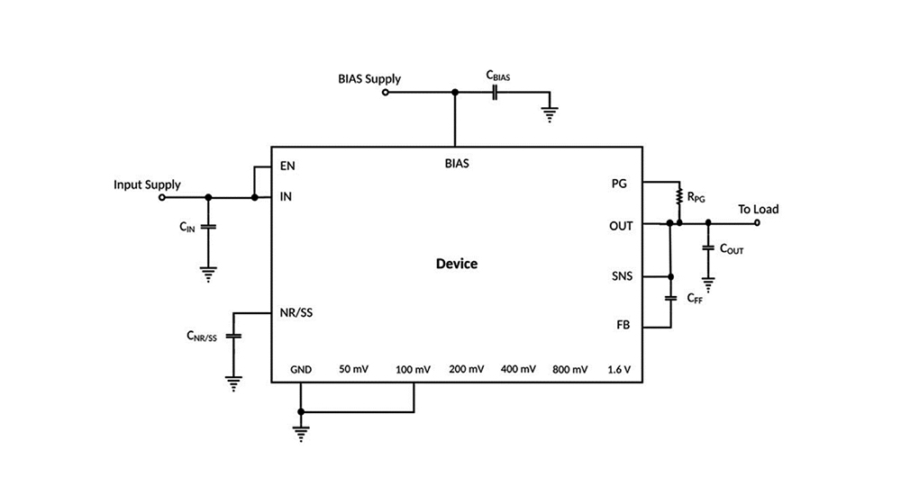
AU8015EA是一款低噪声(4.3 μV RMS)、低压降线性稳压器(LDO),能够在压降仅为200 mV的情况下提供4 A电流。该器件的输出电压可通过引脚配置在0.8 V至3.95 V,以及可使用外部分压电阻在0.8 V至5.15 V范围内调节。

AU8015EA具有优秀的PSRR和低噪声(4.3 µV RMS)特性,是为高速接口(如SERDES)、5G通信基础设施中的噪声敏感组件(如高速ADC、DAC和射频组件)供电的理想选择。AU8015EA的高PSRR和低噪声组合,最大程度地降低了电源引起的相位噪声和时钟抖动。

该器件的5 V输出能力非常适合射频放大器和射频前端。AU8015EA还非常适合于为数字负载供电,如ASIC、FPGA和DSP,这些负载需要低输入电压和低输出电压以最小化功耗,同时提供出色的瞬态性能,以满足数字负载中由于时钟域切换、动态功率和频率缩放而导致的电流阶跃。支持软启动,可将浪涌电流降至最低,从而允许在系统级平稳可靠地启动。

功能

• 低压降:200 mV压差(4 A负载电流)

• 在整个输入、负载和温度范围内输出精度为1%(最大)

• 输出电压噪声: 

    -0.8 V输出时为4.3 μV RMS

    -5.0 V输出时为7.6 μV RMS

• 输入电压范围: 

    -无偏置:1.4 V至6.5 V

    -带偏置:1.1 V至6.5 V

• 两种输出电压模式:

    -0.8 V至5.15 V(由电阻分压器设置)

    -0.8 V至3.95 V(通过编程引脚设置)

• 优秀的PSRR,在1 MHz时为32 dB

• 出色的负载瞬态响应

• 可调节的快速软启动控制

• 3.5 mm × 3.5 mm、20引脚、QFN

应用

• 5G MIMO RF的前端组件

• 数字负载:SerDes、FPGA和DSP

• 高速模拟电路:VCO、ADC、DAC和LVDS